| Технические характеристики | Ед. измерения | HB-3/1 | HB-9/3 |
| Питание | 220-240/1/50 | 380-415/3/50 | |
| Мощность вспомогательного нагревателя | кВт | 3 | 9 |
| Максимальная потребляемая мощность | кВт | 3.2 | 9.2 |
| Максимальный входной ток | A | 15.8 | 16.2 |
| Электрический ударопрочный | I | I | |
| Класс IP | IPX1 | IPX1 | |
| Подключение к водопроводу | дюйм | G1 | G1 |
| Потери давления | кПа | 10 | 10 |
| Давление воды минимум/максимум | МПа | 0.1/0.3 | 0.1/0.3 |
| Уровень звукового давления | дБ(A) | 35 | 35 |
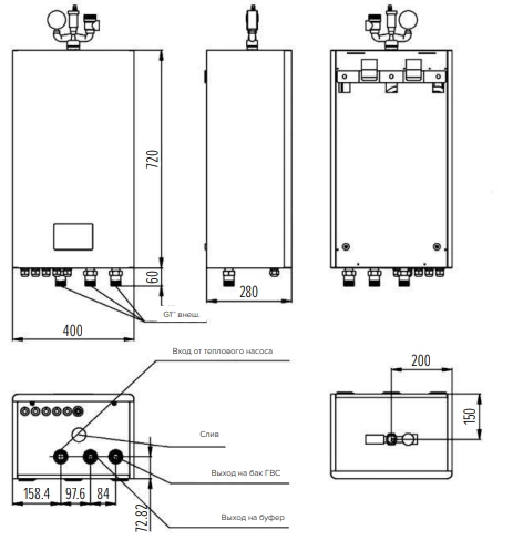
| Габариты (Д×Ш×В) | мм | 400×280×720 | 400×280×720 |
| Габариты в упаковке (Д×Ш×В) | мм | 460×355×862 | 460×355×862 |
| Вес нетто | кг | 31 | 33 |
| Вес брутто | кг | 34 | 36 |
| Расширительный бак | л | 6 | 6 |
| Интернет-шлюз | R485 | R485 |
